ROYAL KEY-OPERATED I.D. WORKHOLDING
For Turning, Milling, and Grinding Applications
- Royal’s Key-Operated I.D. Workholding System incorporates a precision- ground 1-1/2″ diameter straight shank that enables the unit to be held in any collet or jaw chuck, reducing setup times by eliminating the need to change out the machine’s workholding device.
- For use with all Royal precision mandrels, stops, and sleeves. These items are sold separately.
- Side-actuated with an included square-drive key means that this unit can accommodate parts with blind bores.
- Precision-ground square and concentric within 0.0005″. If higher accuracy is needed the mandrel can be clocked-in once the unit is gripped in a chuck.
- Universal straight shank mount enables this ID workholding system to be easily moved from machine to machine as jobs require.
- A great option for low-volume ID gripping.
- When ordering, be sure to also order the appropriate threaded expanding rod adapters sold separately.
Royal’s manually-operated mandrel actuator has a 1.5″ diameter straight shank, enabling to be quickly and easily moved from machine to machine as jobs require. In this application the unit is gripped in a Royal QG-80 CNC collet chuck.
How to Order:
- Choose the appropriate body assembly based upon your application.
- Choose the appropriate mandrel (models A-E) based upon the diameter you need to All mandrels and bodies share a common mounting interface for full interchangeability.
- If required, choose the appropriate part locator to provide a ground banking surface for the workpiece.
- Choose the appropriate expanding sleeve based upon the mandrel and diameter you need to grip.
Step 1 – Choose Body Assembly
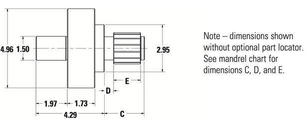
KEY-OPERATED BODY – Universal

- This unit has a precision-ground shaft that can be held in any jaw chuck or 1.5” dia. collet, eliminating the need to change out the workholding and enabling the system to be moved from machine to machine as jobs require.
- Order mandrels, expanding rod adapters, locators, and sleeves separately.
Royal Key-Operated I.D. Body Assemblies
Filters Sort results
Reset Apply
Description | PART NUMBER | PRICE | |
|---|---|---|---|
| Key-Operated I.D. Body Assembly | $6,010.00 | ||
| Expanding Rod Adapter – Fits Model A Mandrels | $450.00 | ||
| Expanding Rod Adapter – Fits Model B&C Mandrels | $450.00 | ||
| Expanding Rod Adapter – Fits Model D Mandrels | $450.00 | ||
| Expanding Rod Adapter – Fits Model E Mandrels | $450.00 |
Step 2 - Choose Mandrel
- Choose appropriate mandrel model according to gripping range.
- All Royal mandrels have a common precision ground interface for complete compatibility with all Royal I.D. body assemblies.
- Order body assembly, locators, and sleeves separately.
Royal Mandrels
Filters Sort results
Reset Apply
Mandrel Model | Gripping Range | C | D | E | Max Axial Force (lbs) | Max Clamping Force (lbs) | PART NUMBER | PRICE | |
|---|---|---|---|---|---|---|---|---|---|
| A | 0.479–0.640 | 1.57 | 0.57 | 0.87 | 1570 | 2670 | $2,140.00 | ||
| B | 0.620 –0.901 | 1.81 | 0.59 | 1.06 | 2245 | 3820 | $2,140.00 | ||
| C | 0.870 –1.151 | 2.05 | 0.61 | 1.26 | 2695 | 4580 | $2,140.00 | ||
| D | 1.120 –1.651 | 2.32 | 0.60 | 1.50 | 4045 | 6875 | $2,140.00 | ||
| E | 1.620 –3.276 | 2.52 | 0.58 | 1.69 | 5170 | 8785 | $2,140.00 |
Step 3 - Choose Part Locator
- Optional part locator bolts to the front of the mandrel and provides a precision banking surface for the workpiece to locate against.
- Order body assembly, mandrels, and sleeves separately.
Step 4 - Choose Expanding Sleeve
- Order expanding sleeves according to mandrel models A thru E.
- All expanding sleeves are fully sealed against coolant and chip penetration.
- Parallel grip ensures full-length part contact for optimum accuracy and grip force.
- All sleeves collapse 0.005" below nominal ground size to ensure easy part loading and unloading.
- Order body assembly, mandrels, and locators separately
Royal Expanding Sleeves - Model A
Filters Sort results
Reset Apply
Nominal Sleeve Diameter | Gripping Range | Part Number | PRICE | |
|---|---|---|---|---|
| 31⁄64″ | 0.479 - 0.499 | 47120 * Not sealed due to limited wall thickness. | $627.00 | |
| 1⁄2″ | 0.495 - 0.515 | 47121 * Not sealed due to limited wall thickness. | $627.00 | |
| 33⁄64″ | 0.511 - 0.531 | $627.00 | ||
| 17⁄32″ | 0.526 - 0.546 | $627.00 | ||
| 35⁄64″ | 0.542 - 0.562 | $627.00 | ||
| 9⁄16″ | 0.558 - 0.578 | $627.00 | ||
| 37⁄64″ | 0.573 - 0.593 | $627.00 | ||
| 19⁄32″ | 0.589 - 0.609 | $627.00 | ||
| 39⁄64″ | 0.604 - 0.624 | $627.00 | ||
| 5⁄8″ | 0.620 - 0.640 | $627.00 | ||
| 41⁄64″ | 0.636 - 0.656 | $627.00 |
Royal Expanding Sleeves - Model B
Filters Sort results
Reset Apply
Nominal Sleeve Diameter | Gripping Range | Part Number | PRICE | |
|---|---|---|---|---|
| 5⁄8″ | 0.620 - 0.651 | 47130 * Not sealed due to limited wall thickness. | $683.00 | |
| 21⁄32″ | 0.651 - 0.682 | $683.00 | ||
| 11⁄16″ | 0.683 - 0.714 | $683.00 | ||
| 23⁄32″ | 0.714 - 0.745 | $683.00 | ||
| 3⁄4″ | 0.745 - 0.776 | $683.00 | ||
| 25⁄32″ | 0.776 - 0.807 | $683.00 | ||
| 13⁄16″ | 0.808 - 0.839 | $683.00 | ||
| 27⁄32″ | 0.830 - 0.870 | $683.00 | ||
| 7⁄8″ | 0.870 - 0.901 | $683.00 |
Royal Expanding Sleeves - Model C
Filters Sort results
Reset Apply
Nominal Sleeve Diameter | Gripping Range | Part Number | PRICE | |
|---|---|---|---|---|
| 7⁄8″ | 0.870 - 0.901 | $683.00 | ||
| 29⁄32″ | 0.901 - 0.932 | $683.00 | ||
| 15⁄16″ | 0.933 - 0.964 | $683.00 | ||
| 31⁄32″ | 0.964 - 0.995 | $683.00 | ||
| 1″ | 0.995 - 1.026 | $683.00 | ||
| 1 1⁄32″ | 1.026 - 1.057 | $683.00 | ||
| 1 1⁄16″ | 1.058 - 1.089 | $683.00 | ||
| 1 3⁄32″ | 1.089 - 1.120 | $683.00 | ||
| 1 1⁄8″ | 1.120 - 1.151 | $683.00 |
Royal Expanding Sleeves - Model D
Filters Sort results
Reset Apply
Nominal Sleeve Diameter | Gripping Range | Part Number | PRICE | |
|---|---|---|---|---|
| 1 1⁄8″ | 1.120 - 1.151 | $745.00 | ||
| 1 5⁄32″ | 1.151 - 1.182 | $745.00 | ||
| 1 3⁄16″ | 1.183 - 1.214 | $745.00 | ||
| 1 7⁄32″ | 1.214 - 1.245 | $745.00 | ||
| 1 1⁄4″ | 1.145 - 1.276 | $745.00 | ||
| 1 9⁄32″ | 1.276 - 1.317 | $745.00 | ||
| 1 5⁄16″ | 1.308 - 1.339 | $745.00 | ||
| 1 11⁄32″ | 1.339 - 1.370 | $745.00 | ||
| 1 3⁄8″ | 1.370 - 1.401 | $745.00 | ||
| 1 13⁄32″ | 1.401 - 1.432 | $745.00 | ||
| 1 7⁄16″ | 1.433 - 1.464 | $745.00 | ||
| 1 15⁄32″ | 1.464 - 1.495 | $745.00 | ||
| 1 1⁄2″ | 1.495 - 1.526 | $745.00 | ||
| 1 17⁄32″ | 1.526 - 1.557 | $745.00 | ||
| 1 9⁄16″ | 1.558 - 1.589 | $745.00 | ||
| 1 19⁄32″ | 1.589 - 1.620 | $745.00 | ||
| 1 5⁄8″ | 1.620 - 1.651 | $745.00 |
Royal Expanding Sleeves - Model E
Filters Sort results
Reset Apply
Nominal Sleeve Diameter | Gripping Range | Part Number | PRICE | |
|---|---|---|---|---|
| 1 5⁄8″ | 1.620 - 1.651 | $908.00 | ||
| 1 21⁄32″ | 1.651 - 1.682 | $908.00 | ||
| 1 11⁄16″ | 1.683 - 1.714 | $908.00 | ||
| 1 23⁄32″ | 1.714 - 1.745 | $908.00 | ||
| 1 3⁄4″ | 1.745 - 1.776 | $908.00 | ||
| 1 25⁄32″ | 1.776 - 1.807 | $908.00 | ||
| 1 13⁄16″ | 1.808 - 1.839 | $908.00 | ||
| 1 27⁄32″ | 1.839 - 1.870 | $908.00 | ||
| 1 7⁄8″ | 1.870 - 1.901 | $908.00 | ||
| 1 29⁄32″ | 1.901 - 1.932 | $908.00 | ||
| 1 15⁄16″ | 1.933 - 1.964 | $908.00 | ||
| 1 31⁄32″ | 1.964 - 1.995 | $908.00 | ||
| 2″ | 1.995 - 2.026 | $908.00 | ||
| 2 1⁄32″ | 2.026 - 2.057 | $908.00 | ||
| 2 1⁄16″ | 2.058 - 2.089 | $908.00 | ||
| 2 3⁄32″ | 2.089 - 2.120 | $908.00 | ||
| 2 1⁄8″ | 2.120 - 2.151 | $908.00 | ||
| 2 5⁄32″ | 2.151 - 2.182 | $908.00 | ||
| 2 3⁄16″ | 2.183 - 2.214 | $908.00 | ||
| 2 7⁄32″ | 2.214 - 2.245 | $908.00 | ||
| 2 1⁄4″ | 2.245 - 2.276 | $908.00 | ||
| 2 9⁄32″ | 2.276 - 2.307 | $908.00 | ||
| 2 5⁄16″ | 2.308 - 2.339 | $908.00 | ||
| 2 11⁄32″ | 2.339 - 2.370 | $908.00 | ||
| 2 3⁄8″ | 2.370 - 2.401 | $908.00 | ||
| 2 13⁄32″ | 2.401 - 2.432 | $908.00 | ||
| 2 7⁄16″ | 2.433 - 2.464 | $908.00 | ||
| 2 15⁄32″ | 2.464 - 2.495 | $908.00 | ||
| 2 1⁄2″ | 2.495 - 2.526 | $908.00 | ||
| 2 17⁄32″ | 2.526 - 2.557 | $1,030.00 | ||
| 2 9⁄16″ | 2.558 - 2.589 | $1,030.00 | ||
| 2 19⁄32″ | 2.589 - 2.620 | $1,030.00 | ||
| 2 5⁄8″ | 2.620 - 2.651 | $1,030.00 | ||
| 2 21⁄32″ | 2.651 - 2.682 | $1,030.00 | ||
| 2 11⁄16″ | 2.683 - 2.714 | $1,030.00 | ||
| 2 23⁄32″ | 2.714 - 2.745 | $1,030.00 | ||
| 2 3⁄4″ | 2.745 - 2.776 | $1,030.00 | ||
| 2 25⁄32″ | 2.776 - 2.807 | $1,030.00 | ||
| 2 13⁄16″ | 2.808 - 2.839 | $1,030.00 | ||
| 2 27⁄32″ | 2.839 - 2.870 | $1,030.00 | ||
| 2 7⁄8″ | 2.870 - 2.901 | $1,030.00 | ||
| 2 29⁄32″ | 2.901 - 2.932 | $1,030.00 | ||
| 2 15⁄16″ | 2.933 - 2.964 | $1,030.00 | ||
| 2 31⁄32″ | 2.964 - 2.995 | $1,030.00 | ||
| 3″ | 2.995 - 3.026 | $1,030.00 | ||
| 3 1⁄32″ | 3.026 - 3.057 | $1,030.00 | ||
| 3 1⁄16″ | 3.058 - 3.089 | $1,030.00 | ||
| 3 3⁄32″ | 3.089 - 3.120 | $1,030.00 | ||
| 3 1⁄8″ | 3.120 - 3.151 | $1,030.00 | ||
| 3 5⁄32″ | 3.151 - 3.182 | $1,030.00 | ||
| 3 7⁄32″ | 3.214 - 3.245 | $1,030.00 | ||
| 3 3⁄16″ | 3.183 - 3.214 | $1,030.00 | ||
| 3 1⁄4″ | 3.245 - 3.276 | $1,030.00 |
*Not sealed due to limited wall thickness.
Note – sleeves larger than 2-1/2" dia. are 0.28" longer than dimension E and terminate flush with the face of the expanding rod.